APG-IPC-FB8510-FR

防腐型红外防爆摄像机

产品咨询
400-4008-999 拨打全国热线了解更多


APG-IPC-FB8510-FR
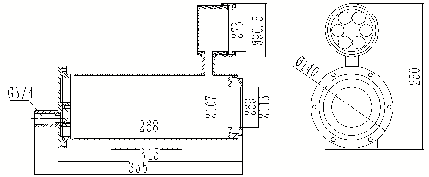
内腔尺寸 268(L)*70(W)*70(H)mm
外形尺寸 355(L)*Ø140(W)*250(H)mm
材料 外壳304不锈钢+防腐塑或者316L不锈钢
防护等级 IP66
安装方式 壁装或者吊装
重量 6.2Kg


联系我们

联系我们

400-631-6166
产品目录

产品目录